
其依据下列标准相关条款:
GB/T16826-1997《电液式万能试验机》
JJG139-1999《拉力、压力和万能试验机》
GB/T5224-2014《预应力混凝土用钢绞线》
GB/T228-2010《金属材料室温拉伸试验方法》
本机有加荷速度显示功能,能实现试样要求的加荷速度。
本机预留有联网和升级接口,根据用户需要可升级为伺服式万能试验机,是更新换代的理想产品。
主机
主机采用油缸下置式主机,拉伸空间位于主机的上方,压缩、弯曲试验空间位于主机上方下横梁和工作台之间。

主机
传动系统
下横梁升降电机经减速器、链传动机构、丝杠副传动,实现拉伸、压缩空间的调整
液压系统
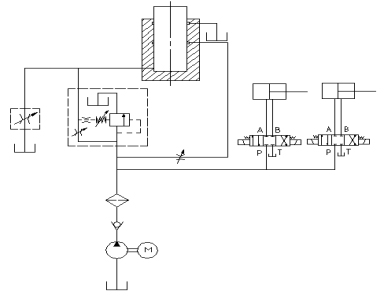
液压原理如图所示,为负载适应型进油节流调速系统,手动阀控制试验进程。
油箱内的液压油通过电机带动高压齿轮泵进入油路,流经单向阀、10μ高压滤油器、压差阀组、送油阀,进入油缸。通过手动控制送油阀的开口大小,从而控制进入油缸的流量,满足加载的要求。试验完成后,打开回油阀卸荷并使油缸返回。

液压原理图
济南鑫光试验机制造有限公司成立于2002年,是一家专业生产、制造和销售试验机厂家,是国内专业生产拉力试验机的制造商和批发商。公司具有电子式拉力试验机,kaiyun开云登录
,电液伺服万能试验机,济南万能试验机,压力机,弹簧试验机,kaiyun官网体育
等系列0.5级生产制造许可证和相关生产资质,通过了ISO9001国际质量体系认证,荣获了“济南市第九届消费者满意单位”的称号;是全国力值硬度计量技术委员会材料试验机工作组理事成员,并参加起草了国标号为JJF 1296.1-2011 《静力单轴试验机型式评价大纲第1部分:电子式万能试验机液压万能试验机》国家计量技术规范,液压万能试验机被评为“济南市名牌产品”,鑫光商标也被评为山东省著名商标。












