济南鑫光试验机制造有限公司
销售部电话:
0531-83654069(销售一部)
0531-83668952(销售二部)
0531-83651337 (销售三部)
传 真 号 码: 0531-83650111
售后服务部电话: 0531-83652337
公司邮箱:sdxgyq@163.com 83650111@163.com
公司网址:m.afeng100.com
公司地址:山东省济南市章丘区枣园街道枣宁路1566号
邮政编码: 250214

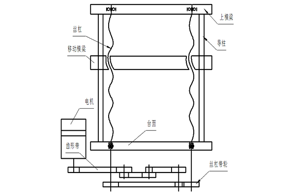
1、土工布专用试验机主机为门式预应力框架,轴向刚度高。它主要由上横梁、移动横梁(中间部位)、台面及光杠组成框架式结构,滚珠丝杠固定在台面和上横梁之间。两滚珠丝杠之丝母及两光杠之导套固定在移动横梁上。
2、 结构原理: 采用圆弧同步带轮减速,滚球丝杠传动,传动无间隙,使试验力和变形速度精密控制得到保证。电机通过三级同步带轮减速以后带动丝杠旋转,从而推动移动横梁在选定的速度下作直线运动以实现各种试验功能。
图1:传动示意图
图2:主机示意图
3、 采用了双空间结构,上空间用于拉伸试验;下空间做出穿刺和顶破。
4、 传动平稳,响应快,噪声低。
5、 伺服单元采用全数字交流伺服电机和驱动器,调速范围宽,精度高。
6、 具有自动调零、自动标定等功能。
7、 保护功能:具有超载、超行程、过压、过流、过热等保护功能。